Proje #12: Mauel olarak ayarlanan bir ohmmetre
Deneme 1: İnternetten bir video bulundu; bu videodaki tasarımda hem baştaki LEDlerin hep daha parlak olduğu (ve daha uzatılırsa patlayacağı), hem de LEDlerin anında yanmadığı görüldü. İstenildiği kadar uzatılabilsin ve anında yansın diye MOSFETlerin kullanılabileceği düşünüldü, yeni tasarım CRUMB üzerinde denendi. Aynı devre LED yakmak yerine N-kanal MOSEFET üzerinden LEDleri yakıcak şekilde yeniden tasarlandı, bu deneme çalışmadı.
Deneme 2: MOSFETlerin bağlantılarının bipolar tranzistörlerle aynı olmadığı öğrenildi, devre yeniden tasarlandı. Bu devre çalıştı, ancak LEDler fazla sönüktü.
Deneme 3: MOSFETlerden çıkan değer P-kanal MOSFET yardımı ile arttırılmaya çalışıldı, bu durumda LEDler sürekli olarak yandı.
Deneme 4: P-kanal MOSFET serisi yerine PNP tranzistör denendi, bu durumda LEDler hiç çalışmadı.
Deneme 5: Bipolar tranzistör serisinin sonrasına 2. bir N-kanal MOSFET serisi kanuldu, LEDler hala yanmadı. CRUMBın “Scope” özellği ile LEDlerin potansiyometre kullanılırkenki durumuna bakıldı, potansiyometrenin LEDlere hiçbir etkisi olmadığı gçrüldü.
Deneme 6: N-kanal MOSFET serisi söküldü, MOSFETlerin S bağlantısı NPN tranzistörlere çıktı olarak kullanıldı; aynı sonuçla karşılaşıldı.
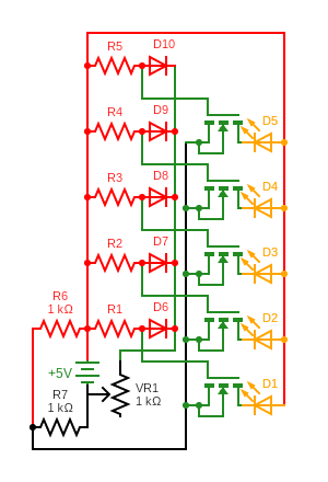
Deneme 7: MOSFETlerin akımdan çok voltaj ile çalıştığı öğrenildi, devre sıfırdan tasarlandı. 1000Ω bir potansiyometre [VR1] pozitif ve 5 dirence [R1-5] bağlanıldı, dirençler negatife bağlanıldı; 5 tane N-kanal MOSFET [Q1-5] aynı numaradaki direncin VR1e yakın tarafına G bağlantılarından bağlanıldı. Bir 1000Ω direnç [R6] pozitiften devre tahtasına, başka bir 1000Ω direnç [R7] ise bu noktadan negatife bağlanıldı. R6 ve R7nin kesiştiği nokta, Q1-5in S bağlantısına takıldı. Son olarak, Q1-5in D bağlantılarına pozitifden gelen birer LED [D1-5] takıldı. Bu devre istenilen sonucu sağlamadı.
Deneme 8: R1-5 ile VR1 arasında, katodları R1-5e bakıcak şekilde birer diyot [D6-10] konuldu. Bu devre hala istenilen şekilde çalışmadı.
Deneme 9: VR1 negatife, R1-5 ise pozitife bağlanıldı; D6-10 öbür tarafa çevrildi. Bu devre doğru çalıştı.
Deneme 10: Devre daha yüksek voltajlarda denedi, dirençler değiştirilmese bile LEDler aynı oranlarda ve potansiyometre aynı açıdayken değişti.
Son Şematik:

Sonuç: Her ne kadar LEDler anında yanmasada, voltaja bağımsız olarak LEDlerin ne zaman yanıcağı ayarlanabildiği için bu projede bitmiş kabul edildi. Projelerin daha sonra bitirilecek şekilde parçalara ayrılabileceği, ayrıca MOSFETlerin nasıl kullanılacağı öğrenildi.

Bir yanıt yazın