Proje #10: Her seferinde rastgele sayı üreten bir devre.
Deneme 1: CRUMB üzerinde ikili sayı sisteminde sayıcak bir devre geliştirildi, ancak kullanılan 74HC161 olmadığı için Tinkercad.com’a uyarlanamadı.
Deneme 2: Devre, Tinkercad.com’da 74HC93 kullanılarak yapıldı; bu devre çalışmadı.
Deneme 3: İnternetten bir video bulundu, bu videoda kullanılan yöntemle devre çalıştı.
Deneme 4: 2. bir NE555P zamanlayıcısı kullanılarak saat yapıldı, kullanılan düğme çıkartıldı ve saat onun yerine bağlandı. Bu devre çalıştı, ancak dijital bir ortam olduğu için sayılar bir yerden sonra tekrar etmeye başladı.
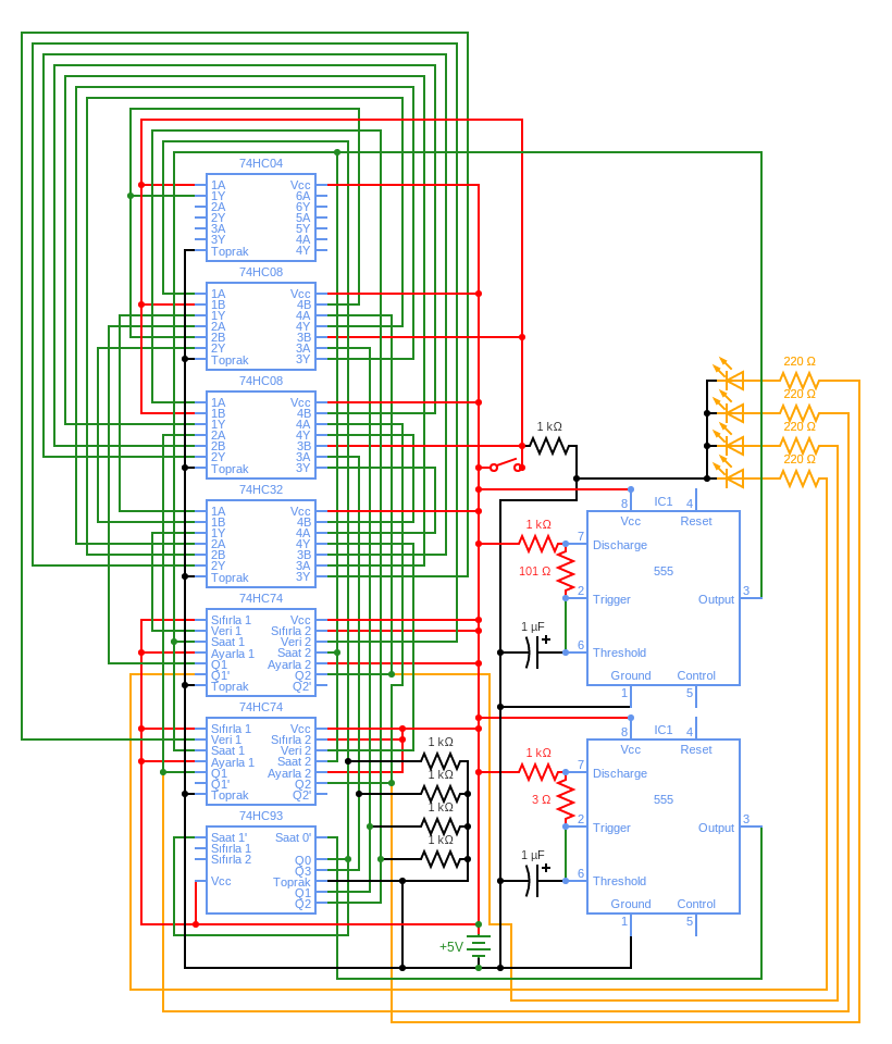
Deneme 5: Devre, okunması kolaylaşsın diye düzenlendi; sayıların tekrar şansını azaltmak için dirençler asal değerlere ayarlandı.
Son şematik:

Sonuç: Simülasyonlar fazla kararlı olduğu için belirli devrelerin yaratılışına izin vermezler.

Bir yanıt yazın